Medição precisa de resistência –
Método de medição de
dois fios vs.  quatro fios

Medir resistência elétrica é uma das tarefas fundamentais na engenharia elétrica. Embora métodos de medição simples sejam suficientes na faixa de ohm mais alta, medições precisas na faixa de micro ou miliohm colocam demandas especiais na tecnologia usada. Aqui, a escolha do método de medição determina a precisão e a confiabilidade.

 Embora os multímetros geralmente usem o método de 2 fios, os sistemas de medição profissionais, como a família de produtos PROMET da KoCoS Messtechnik AG confie no método de medição preciso de 4 fios ou Kelvin

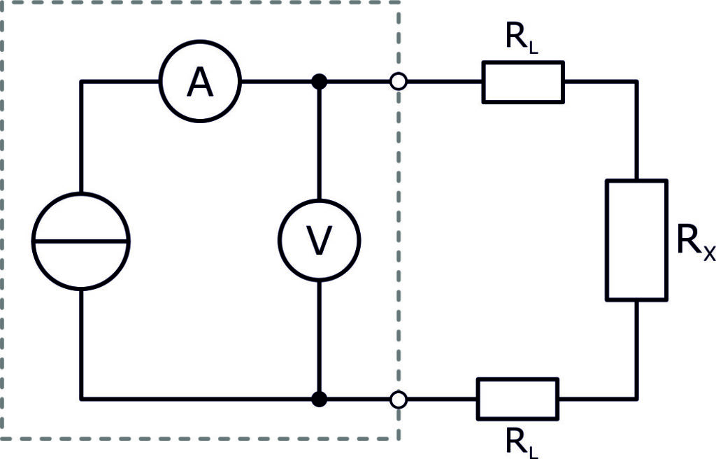
Método de medição de dois fios 

No método de medição de dois fios, a resistência do objeto de teste é determinada usando dois fios. Tanto a corrente de teste quanto o sinal de medição fluem através dos mesmos fios. A resistência do fio e a resistência de contato dos fios de medição são, portanto, diretamente incluídas no resultado da medição.

A medição de 2 fios é adequada para medir altas resistências na faixa de kΩ a MΩ, mas mostra erros de medição significativos em baixas resistências (abaixo de alguns Ω), pois a influência dos fios de conexão pode ser comparativamente grande.

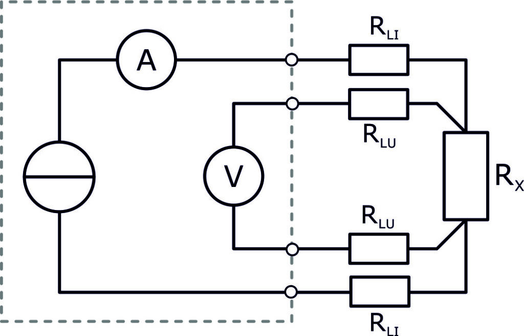
Método de medição de quatro fios ou Kelvin – precisão na faixa de baixa resistência

O método de medição de 4 fios ou Kelvin separa a alimentação de corrente e a medição de tensão. Dois fios transportam a corrente de teste constante através do objeto de teste, enquanto dois fios separados medem a queda de tensão diretamente no objeto de teste. Isso elimina a resistência dos fios de medição/alimentação e as transições de contato, para que não ocorra nenhum erro de medição adicional.

A medição de 4 fios, portanto, permite medições muito precisas até a faixa de mili e microohm, eliminando resistências de linha e contato, mas requer tecnologia de medição especial.

O método recebeu o nome do físico William Thomson, “Lord Kelvin”, que desenvolveu esse método já em 1876.

Aplicação na linha de produtos PROMET

sistemas de medição de resistência da série PROMET da KoCoS são projetados para medição precisa de 4 fios. Eles fornecem altas correntes de até 600 A, permitindo que até mesmo resistências de contato muito pequenas sejam determinadas com precisão em condições práticas.

As vantagens:


Medição precisa até mesmo das menores resistências


Altas correntes de teste de até 600 A para máxima precisão


Fácil manuseio graças aos grampos Kelvin e sondas de teste


Resultados rápidos e reprodutíveis para avaliações de qualidade confiáveis

Enquanto o método de dois fios usando multímetros é suficiente para medições padrão em resistências mais altas, o método de medição Kelvin permite medições de alta precisão na faixa de baixo ohm. ⚡Com os sistemas de medição de resistência PROMET, o KoCoS fornece ferramentas poderosas que combinam precisão, praticidade e facilidade de uso. Este é um fator decisivo para testes confiáveis no desenvolvimento, produção e manutenção. 

cONFIRA OS EQUIPAMENTOS VEJA A MATÉRIA

Deixe um comentário

O seu endereço de e-mail não será publicado. Campos obrigatórios são marcados com *